大東海泵業無錫有限公司
銷售總部:江蘇無錫新吳區長江路21-1號創源大廈309
生產基地:無錫市東港鎮
銷售熱線:0510-82108358
銷售熱線:0510-82116911
聯系電話:13395114288
QQ: 2634113519


大東海泵業無錫有限公司
銷售總部:江蘇無錫新吳區長江路21-1號創源大廈309
生產基地:無錫市東港鎮
銷售熱線:0510-82108358
銷售熱線:0510-82116911
聯系電話:13395114288
QQ: 2634113519


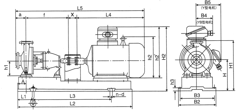
大東海泵業無錫有限公司是一家專業的化工離心泵生產廠家。在客戶化工離心泵選型時,我公司水泵廠家會提供完善的化工離心泵型號、化工離心泵價格等售前服務,以供客戶參考。本條產品資訊是關于化工離心泵IH80-65-125外形尺寸|重量|參數|價格的知識:

| 型號 | 進口口徑(mm) | 出口口徑(mm) | 轉速(r/min) | 流量(m3/h) | 揚程(m) | 功率(kw) | 單泵重量(kg) |
| IH80-65-125 | 80 | 65 | 2900 | 50 | 20 | 5.5 | 51 |
| 1450 | 25 | 5 | 0.75 |

| 產品型號 | 功率(kw) | L1 | L2 | L3 | L4 | a | f | x | L5 | B2 | B3 | H | n-d |
| IH80-65-125 | 5.5 | 1020 | 190 | 600 | 510 | 100 | 385 | 100 | 1095 | 450 | 400 | 217 | 4-24 |
| 0.75 | 820 | 150 | 540 | 330 | 915 | 360 | 320 | 217 |